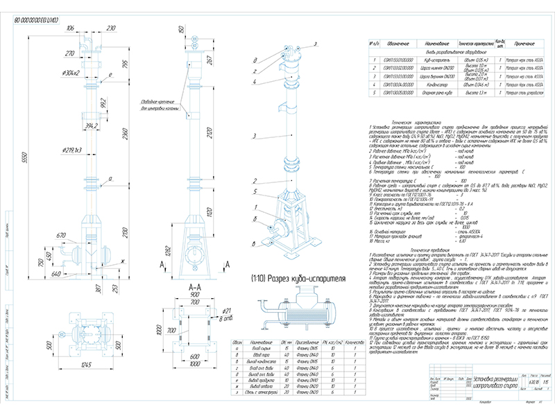
Ректификационная установка регенерации изопропилового спирта
Проектная деятельность:
- разработка
- конструирование
- моделирование
- подготовка пакета технической документации: техническое описание, сертификаты на материалы, паспорт изделия, инструкция по эксплуатации.
Производство установки
В комплекте:
- колонна ректификационная непрерывного действия
- конденсатор
- куб секционный
- насос подачи продукта
- выносной шкаф управления
- опорные решетки
- насадка спирально – призматическая
- решетки.
Спецификация установки
- Материал частей изделия в контакте с субстанцией нержавеющая сталь марки AISI316
- Площадь занимаемая колонной не более: 2 m2
- Полная высота установки не более: 5 m
- Тепловая мощность на испарение не более: 50 кВт
- Источник нагрева: пар
- Охлаждение: проточная вода, замкнутый контур
- Исполнение: взрывозащищенное
- Блок автоматического управления: в комплекте
- Насос подачи продукта: в комплекте
- Режим работы непрерывный: непрерывная подача сырья, отбор продукта, удаление остатка
- Производительность по сырью суточная: 1,5 м. куб.
- Производительность по сырью часовая: 65 л/ч
- Концентрация ИПС в продукте: не ниже 80%
- Концентрация ИПС в отвале: не более 0,5 %
Контроль качества и пакет документации
Сварка: аргонно-дуговая, сварные швы протравлены и пассивированы. Чистота поверхности - сталь в состоянии поставки, с поверхностью 2В. Контроль сварных швов: ВИК: 100%, УЗК: 100%, Цветная дефектоскопия: 100% (врезки).
Комплект документов: на русском языке: паспорт, включая руководство по эксплуатации и техническому обслуживанию, габаритный чертёж, электрическая схема, сертификаты на используемые материалы и комплектующие.


